System Layout Examples
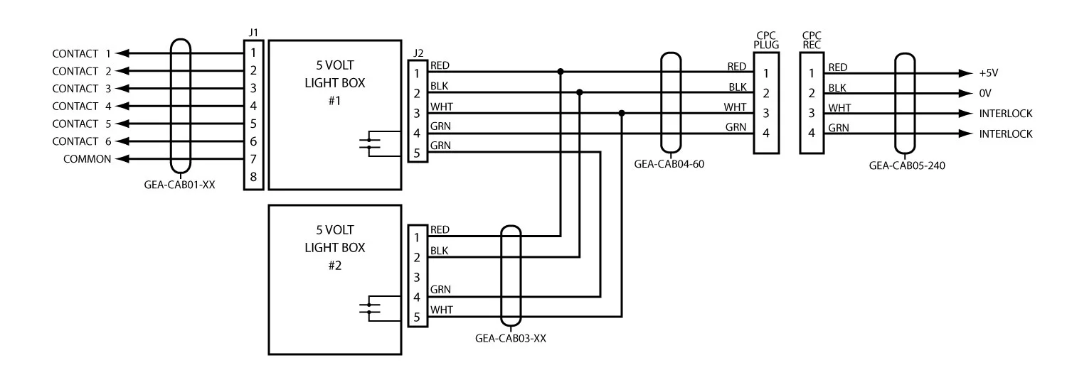
Single 5v Light Box
If a single light box is being used, move the white wire on connector J2 from pin 3 to pin 5
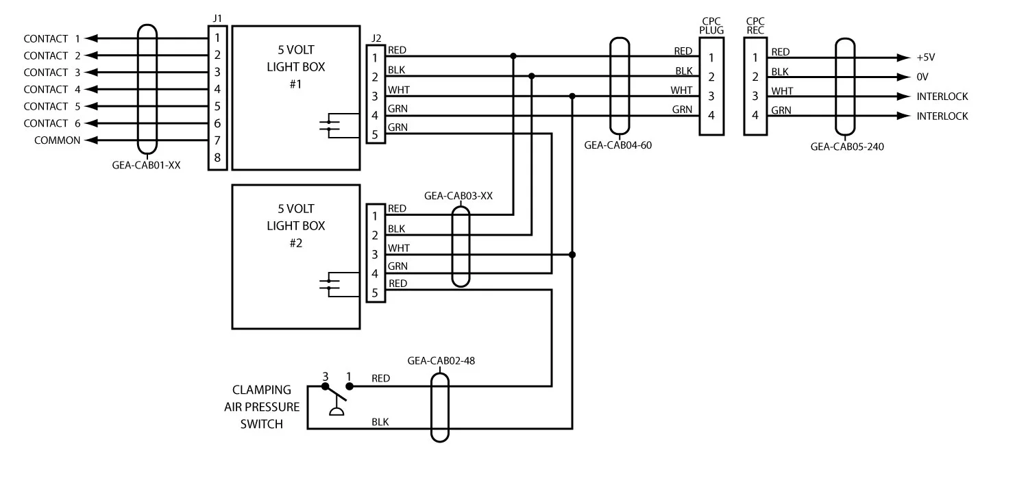
Two or More Light Boxes Without a Pressure Switch
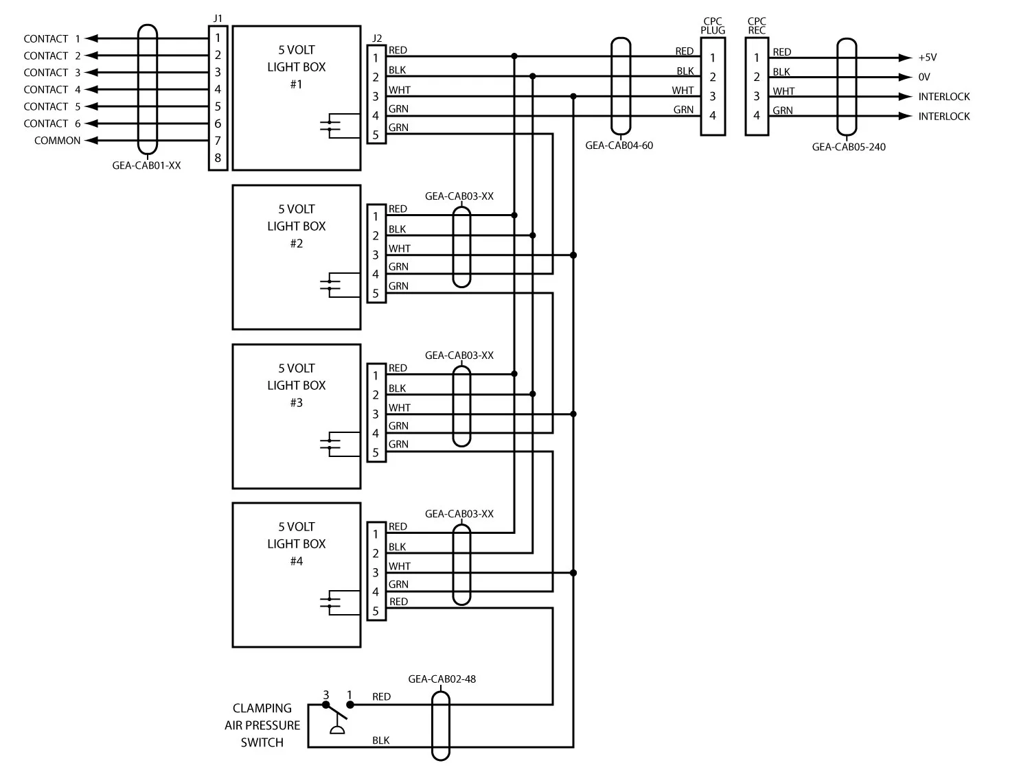
Connections for jumper cable GEA-CAB03-XX
- Red - connect to J2-1 of previous light box
- Black - connect to J2-2 of previous light box
- White - connect to J2-3 of previous light box
- Green - connect to J2-5 of previous light box
Note 1: If the die set has two or more light boxes, use jumper cable GEA-CAB03-XX to connect the next light box in line to the previous light box
Note 2: On the last light box, move the white wire on J2 from Pin 3 to Pin 5
Light Box With Pressure Switch
Connections for Cable GEA-CAB02-48
- Red - connect to J2-5 of last light box
- Black - connect to J2-3 of last light box
Note 1: If an air pressure clamping switch is included on the die set, use pressure switch cable GEA-CAB02-48 to connect pressure switch to last light box.
Four Light Boxes With Pressure Switch
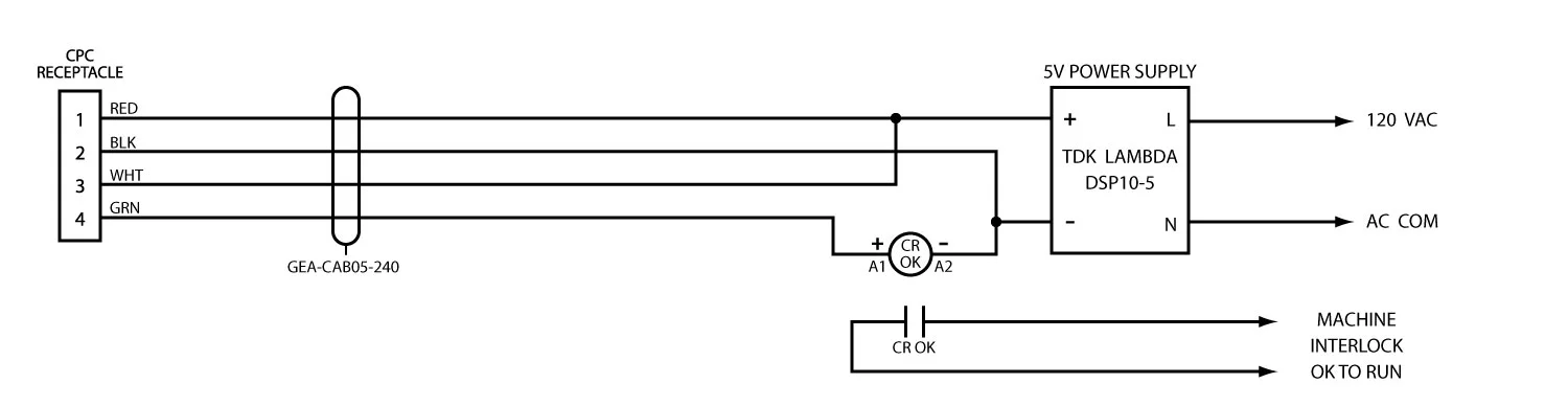
Machine Interface With a PLC
Connections:
- Red - connect to power supply +5V
- Black - connect to power supply (-), (5V com)
- White - connect to +24VDC
- Green - connect to PLC input
Notes 1: If light box is used as an input to a PLC, the cycle start should be disabled when the input is off. Do not stop a cycle that has started with this input.
Machine Interface, No PLC
Connections:
- Red - connect to power supply +5V
- Black - connect to power supply (-), (5V com)
- White - connect to power supply +5V
- Green - connect to A1 of 5V relay
Notes 1: Connect the relay contacts to the machine start circuit. The cycle start should be disabled when the relay is off. Do not break the latch of the start circuit with the relay.
